Ремонт генераторов, стартеров, карбюраторов.

г. Электросталь, Авангардный проезд 2  Открыто с 10 до18

Генераторы

Статьи о генераторах

Диоды "негатив", "позитив", замена диодов

В диодных мостах используются диоды в одинаковых корпусах, но разные по проводимости. Это важно в том случае, если требуется замена неисправного диода.

Замена диодов в диодном мосте делается редко, в случае если нет нового диодного моста по приемлемой цене.
В некоторых конструкциях диодных мостов это сделать невозможно, но в большинстве случаев замена возможна. Неисправный диод выпрессовывается и вместо него запрессовывается новый. Или, как для диодных мостов Mitsubishi, неисправный выпаивается и новый впаивается.

При выполнении такой операции надо обязательно правильно определить, какой диод поставить на замену.

Диоды выглядят совершенно одинаково, но они противоположны по проводимости. Соответственно, перепутать их недопустимо.

Диоды негатив позитив

Диоды делаются одинаковыми по корпусу, потому что так удобно для сборки диодного моста на производстве.

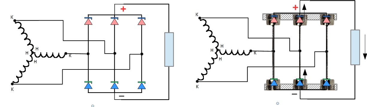
Диодный мост состоит из двух алюминиевых шин, одна положительная, от которой делается плюсовой вывод ДМ, и отрицательной, которая привинчивается к массе. В плюсовую шину вставляются диоды, которые называют «позитив», в минусовую шину вставляются диоды, которые называют «негатив». Во многих генераторах минусовой шины диодного моста нет, диоды "негатив" вствлены прямо в заднюю крышку генератора.

 

Схема диодного моста.

most4

 

Варианты конструкции диодных мостов

Примерно такую конструкцию имеют диодные мосты генераторов типа 94 и многих генераторов Bosch.

 dm94

Условная конструкция диодных мостов Valeo выглядит примерно так.

dmval

 

Таким образом, если вам нужно заменить диод в отрицательной пластине, то надо быть уверенным в том, что диод, который вы взяли, — это диод «негатив», если нужно заменить диод в положительной пластине, то диод должен быть «позитив».

На диодах, которые продаются в ремонт, может быть написано «Negative» и «Positive» или просто стоят буквы N и P. Если непонятно, какой диод, то его надо прозвонить.

При замене диодов нужно выбирать диоды, подходящие по корпусу, так как они бывают разных типоразмеров, и обязательно диоды должны подходить по предельно допустимому току. По напряжению диоды могут быть для 12- и для 24-вольтовых диодных мостов. Вся эта информация есть в соответствующих каталогах, например здесь https://voltag.ru/.