Диодный мост Valeo, как проверить
Диодные мосты для старых типов генераторов Valeo имеют своеобразную конструкцию и надо понимать, как они устроены, чтобы уверенно и быстро их проверять.
Схема диодного моста Valeo, особенности устройств и проверка.
Диодные мосты Valeo такой конструкции могут быть 6-ти диодными, 8-ми диодными, могут быть с доп. диодами и могут быть без доп. диодов.
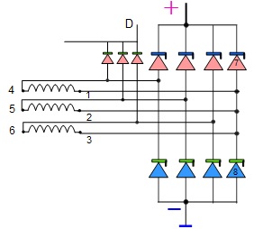
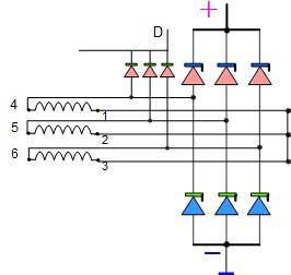
Шестивыводной диодный мост Valeo соединяет выводы обмотки в звезду. Сатор имеет 6 выводов, которые сгруппированы так, как показано на рисунке. Точки 1,2,3 диодный мост объединяет в одну точку, а точки 4,5,6 являются выводами фаз. так обмотки соединяются в звезду.
Распиновка диодного моста Valeo
Схема диодного моста Valeo 
Устройство 6-ти диодного моста 
Устройство 8-ми диодного моста 
В целом, устройство и способы проверки диодных мостов одниковы.Проверка диодного моста Valeo 6 диодов.Для проверки используем три точки подключения фаз 4,5,6Проверяем плюсовые диоды1. Плюс омметра к плюсу диодного моста. Минус омметра по очереди подключаем к точкам 4,5,6. Это непроводящее направление диодов и стрелка омметра не должна отклониться.
2. Минус омметра к плюсовой шине диодного моста, Плюс омметра подключаем по очереди к точкам 4,5,6. Это проводящее направление диодов и стрелка должна отклоняться.
Проверяем минусовые диоды3. Плюс омметра подключаем к минусовой шине. Минус омметра подключаем по очереди к точкам 4,5,6. Это проводящее направление минусовых диодов и стрелка должна отклоняться.
4. Минус омметра подсоединяем к минусовой шине. Плюс омметра по очереди присоединяем к точкам 4,5,6. Это непроводящее направление минусовых диодов и стрелка не должна отклоняться.
Проверка 8-ми диодного моста. Проверка делается также, но дополнительно надо проверить 7 и 8 диоды. Для проверки 7 диода нужно подключить плюс омметра к плюсовой шине и минус омметра к любой точке 1,2,3. Затем поменять плюс и минус омметра местами. В одну строну стрелка не должна отклониться, а в другую должна.Для проверки 8 диода нужно подключить плюс омметра к минусовой шине и минус омметра к любой точке 1,2,3. Затем поменять плюс и минус омметра местами. В одну строну стрелка не должна отклониться, а в другую должна.Проверка Доп. диодовДовольно часто выходят из строя доп. диоды. Для проверки доп. диодов надо подключить омметр одним выводом к точке D или L(куда подключается провод возбуждения), а другим по очереди коснуться точек 4,5,6. Поменять местами выводы омметра и снова коснуться точек 4,5,6. В одну сторону стрелка должна отклоняться, в другую не должна. Проверку гораздо проще сделать от трансформаторной схемы с двумя лампочками.
Один вывод на плюсовую шину вторым коснуться, по очереди, точек 4,5,6, должна загораться только одна лампочка.Дальше, этим выводом коснуться минусовой шины, а вторым, по очереди, точек 4,5,6, должна загораться только одна лампочка.